產品介紹
咨詢服務熱線:13957717877
產品概述
資料下載
相關產品
相關資訊


SUL-180型定時器應用場合:
SUL-180型24小時定時器可應用在,路燈、燈箱、霓虹燈、生產設備、農業養殖、倉庫排風除濕、
自動預熱、廣播電視等場所,應用范圍廣,性能實用,是一款非常耐用的產品。
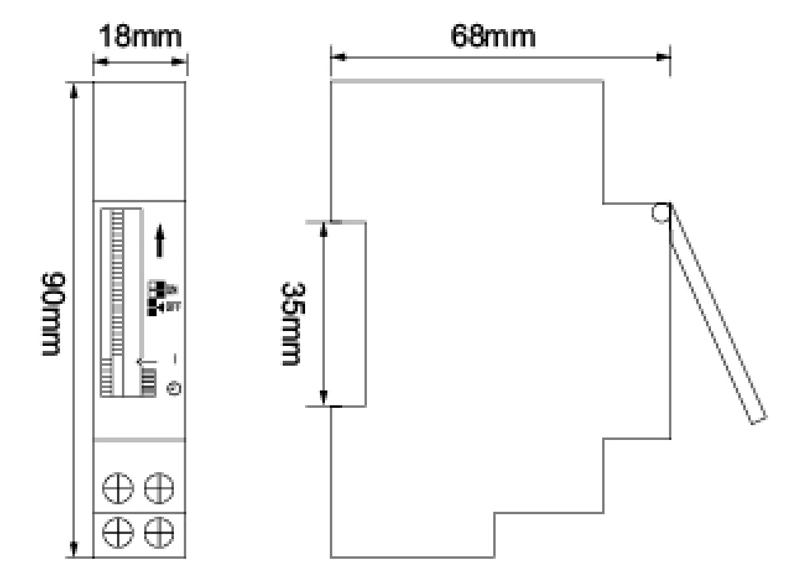
SUL-180型定時器面板與尺寸圖:



SUL-180型定時器技術參數:

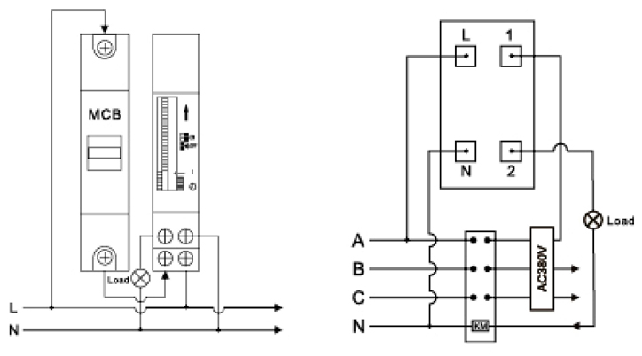
SUL-180型定時器接線圖:

下一個:TS-GM1型24小時定時器
優惠券
我們的微信
13957717877
13957796089