產品介紹
咨詢服務熱線:13957717877
產品概述
資料下載
相關產品


為何選擇GRV8-03至08系列三相電壓監控繼電器? |
GRV8-03至08系列三相電壓監控繼電器是保障三相電力系統穩定運行和設備安全的 關鍵元件。其高精度測量、靈活的配置選項、可靠的保護功能以及緊湊的設計,使其在 工業自動化、移動設備、電力切換及動力保護等多種應用場景中表現出色。選擇GRV8 系列,為您的電氣系統提供專業、可靠的電壓監控解決方案。 |
GRV8-03至08系列三相電壓監控繼電器產品優勢: |
1、適用性廣: - 多電壓規格與雙接線模式設計,滿足全球不同地區、不同系統的應用需求。 |
2、可靠性高: - 真有效值測量技術結合高精度監控,在各種復雜電網環境下保護動作的準確性 和及時性。 |
3、安裝便捷: - 超薄緊湊的機身和標準的DIN導軌安裝方式,簡化了安裝過程,節省控制柜空 間。 |
4、維護直觀: - 清晰的LED狀態指示,方便運行人員快速了解設備狀態,便于故障排查和維護。 |
5、性價比高: - 以合理的成本提供的三相電壓監控與保護功能,有效降低設備故障風險和維護 成本。 |
GRV8-03至08系列三相電壓監控繼電器產品特點: |
1、真有效值(True RMS)測量: - 采用真有效值測量技術,能夠準確反映實際電網電壓波形,有效應對諧波畸變或波 形失真環境下的電壓監控需求,提供更可靠的保護基準。 |
2、寬范圍額定電壓可選: - 提供8種標準額定電壓規格可選(GRV8-03至08),涵蓋全球主流工業電壓等級, 具備良好的全球適用性,簡化設備選型與庫存管理。 |
3、靈活的接線方式: - 支持3相3線(Delta)和3相4線(Wye/Star)兩種常見三相系統接線方式,適應不 同的配電網絡結構。 |
4、高精度電壓監控: - 電壓測量精度控制在≤1%以內,對系統電壓狀態的精確判斷,避免誤動作或保 護失效。 |
5、直觀的狀態指示: - 配備高亮度LED指示燈,清晰顯示繼電器當前的工作狀態(如電源、故障類型、輸 出狀態等),便于現場快速診斷和維護。 |
6、緊湊型設計,節省空間: - 采用超薄設計,寬度僅為18mm,支持標準35mm DIN導軌安裝,節省控制柜 內寶貴的安裝空間,尤其適用于空間受限的場合。 |
GRV8-03至08系列三相電壓監控繼電器產品特點: |
GRV8系列繼電器憑借其可靠的性能,廣泛應用于需要保障供電連續性和設備安全的 領域: |
1、移動設備與特種車輛電源管理: - 特別適用于需要穩定電源供應的移動設備,如工程機械、農業機械設備(收割機、 拖拉機電氣系統)、冷藏運輸車制冷系統等,監控其接入電源的電壓質量,防止因電壓 異常導致設備停機或損壞。 |
2、設備旋轉方向保護: - 有效監控三相電源的相序,當檢測到相序錯誤(逆相)時及時動作,防止電機等 旋轉設備因反向運轉而造成的機械損傷、生產事故或安全事故。 |
3、主備電源自動切換系統(ATS): - 正常電源(市電)與應急電源(發電機、UPS)的切換系統中,用于實時監測主 電源狀態。當主電源發生故障(如欠壓、過壓、斷相)時,準確發出切換信號, 關鍵負載供電的連續性。 |
4、電機與動力負載保護: - 持續監測供給電機、壓縮機、泵等動力負載的三相電壓,在發生單相或斷相故障 時迅速切斷電源,避免電機因缺相運行而過熱燒毀,保護重要生產設備。 |
5、工業自動化生產線: - 為PLC控制系統、伺服驅動器、變頻器等敏感設備提供前置電壓保護,防止電網 波動或故障對其造成損害,保障生產流程的穩定運行。 |

GRV8-03至08系列三相電壓監控繼電器型號說明: |
|
GRV8-03至08系列三相電壓監控繼電器技術參數: |
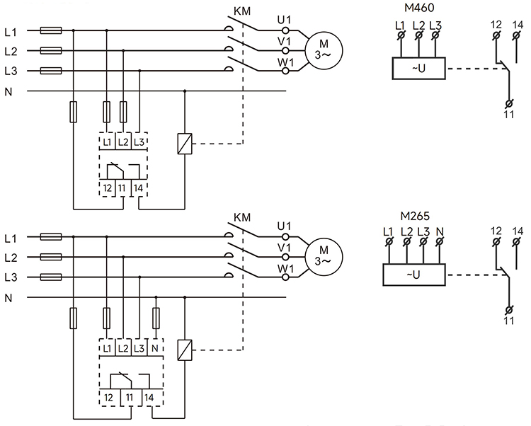
M460 | M265 | |
功能 | 監控L-L電壓(3相3線制) | 監控L-N 電壓(3相4線制) |
監控端子 | L1-L2-L3 | L1-L2-L3-N |
電源 | L1-L2 | L1-N |
額定工作電壓選擇 | 220-230-240-380-400 -415-440-460(P-P) | 127-132-138-220-230 -240-254-265(P-N) |
額定沖擊耐受電壓 | 2.5kV | |
額定絕緣電壓 | 500V | |
測量頻率范圍 | 45Hz-65Hz | |
測量范圍 | 176V-552V | 101V-318V |
電壓門限值范圍 | 額定電壓的2%-20% | |
不平衡值門限范圍 | 5%-15% | |
電壓固定滯后率 | 2% | |
斷相電壓值 | 額定電壓值的70% 小=165V | 額定電壓值的70% |
動作延時時間 | 0.1s-10s 可調 | |
電壓測量誤差 | ≤1% | |
上電延時時間 | 0.5s | |
旋鈕設定精度 | 10% | |
復位時間 | 1s | |
溫度波動誤差 | 0.05%/℃,at=20℃ | |
輸出 | :Ith:10A;AC-15:Ue/le:250V/2.5A | |
小切換功率 | 500mW | |
輸出繼電器指示 | 紅色 LED | |
機械壽命 | 1×107 | |
電壽命(阻性負載) | 1×10? | |
工作環境溫度 | -20℃~+55℃ | |
存儲和運輸環境溫度 | -35℃~+75℃ | |
安裝方式 | 35mm卡軌安裝 | |
防護等級 | IP20 | |
安裝位置 | 任意 | |
安裝海拔高度 | ≤2000米 | |
污染等級 | 2 | |
接線能力 | 1×2.5mm2或2×1.5mm20.8N ·m | |
外形尺寸 | 90mm×18mm×64mm | |
重量 | 61-66g | |
符合標準 | GB/T14048.5,IEC60947-5-1,EN 60255-1 | |

GRV8-03至08系列三相電壓監控繼電器產品面板: |
|
GRV8-03至08系列三相電壓監控繼電器產品尺寸: |
|

GRV8-03至08系列三相電壓監控繼電器產品功能: |
功能代號 | 過電壓 | 欠電壓 | 電壓不平衡 | 動作延時 | 相序保護 | 斷相保護 |
03 | 一 | 一 | 一 | 一 | ● | ● |
04 | 2%.…20% | -20%..-2% | 一 | 0.1s…10s | ● | ● |
05 | 2%.….20% | -20%.…-2% | 8% | 0.1s….10s | ● | ● |
06 | 2%.….20% | -20%...-2% | 5%.…15% | 2s | ● | ● |
07 | 一 | 一 | 5%.…15% | 0.1s….10s | ● | ● |
08 | 15% | -15% | 8% | 2s | ● | ● |
注: ● 表示具有此功能, 一 表示不具有此功能。 | ||||||
GRV8-03至08系列三相電壓監控繼電器功能圖: | |
斷相與相序保護功能圖(三相三線) | 斷相與相序保護功能圖(三相四線) |
|
|
過壓與欠壓保護功能圖 | 電壓不平衡保護功能圖 |
|
|
To:過電壓動作延時時間。 | |
Tu:欠電壓動作延時時間。 | |
Ta:不平衡動作延時時間。 | |
注意: | |
1.當斷相發生在電源相時,綠燈不會指示。(M460電源:L1和L2;M265電源:L1和 N) | |
2.產品通電運行過程中如果改變額定電壓旋鈕,綠色和紅色指示燈同時閃爍,指示錯誤 設定,產品保持原先設定的額定電壓進行保護。當額定電壓旋鈕返回原先設定值時,指 示燈恢復正常。 | |
GRV8-03至08系列三相電壓監控繼電器產品接線: | |
| |
優惠券
我們的微信
13957717877
13957796089