產品介紹
咨詢服務熱線:13957717877
產品概述
資料下載
相關產品
相關資訊


為何選擇GRT8-N擴展多功能型時間繼電器? |
GRT8-N以模塊化設計與工程級可靠性重新定義時間控制標準,已成為智能制造業、 建筑自動化、能源系統的時序控制解決方案。通過提供兼具靈活性與穩定性的延時 管理能力,助力用戶構建更高效、更安全的電氣控制系統。 |
GRT8-N擴展多功能型時間繼電器產品優勢: |
1、優勢維度:用戶價值體現 |
2、功能集成:1臺設備替代多款傳統時間繼電器,減少備件種類 |
3、寬電壓兼容:全球通用,無需因電壓差異重復采購 |
4、空間效率:節省75%安裝空間,優化控制柜布局 |
5、運維可視化:LED狀態指示快速定位故障,降低停機時間 |
6、延時精度:10檔位精細調節,滿足高精度時序要求 |
7、安裝便捷性:35mm標準導軌卡扣安裝,3秒完成部署 |
GRT8-N擴展多功能型時間繼電器產品特點: |
1、10種智能延時模式,精準適配多元場景 - 電源控制模式(2種):支持通電延時(On-delay)、斷電延時(Off-delay)等 基礎時序邏輯,設備啟停安全。 - 信號觸發模式(8種):涵蓋單次觸發、循環觸發、間隔觸發等功能(如閃爍 控制、信號保持延時),滿足復雜控制需求。 |
2、0.1秒–10天超寬延時范圍,10檔精細調節 - 時間設定橫跨1s/10s/1m/10m/1h/10h/1d/10d/ON/OFF,用戶可通過旋鈕快速 切換檔位,無需復雜計算即可實現從瞬態響應(如設備保護)到長期周期任務(如照明 時序)的全覆蓋。 |
3、AC/DC 12-240V全電壓自適應 - 兼容交直流寬電壓輸入,同一型號適配全球主流工業電壓標準,大幅降低備件庫存 與選型成本。 |
4、雙色LED實時狀態指示 - 通過紅/綠雙色指示燈直觀顯示繼電器運行狀態(如延時中/輸出動作/電源異常), 提升設備運維效率。 |
5、18mm超薄設計,35mm標準導軌安裝 - 緊湊的機身(寬度僅為傳統繼電器1/3)可密集排布于配電柜中,化節省控制 箱空間。 |
GRT8-N擴展多功能型時間繼電器產品應用: |
憑借10種延時模式與0.1秒至10天的全域定時能力,GRT8-N在以下場景展現性能: |
1、工業自動化 - 生產線設備啟停時序管理(如傳送帶間歇運行、機械臂動作循環) - 電機/風機軟啟動保護(延時切換星三角電路,防止電流沖擊) |
2、能源管理 - 照明系統智能控制(樓宇走廊燈延時關閉、廣告牌定時閃爍) - 加熱設備周期運行(工業烤箱分段加熱、注塑機溫控保溫階段) |
3、設備安全保護 - 緊急停機后設備泄壓延時(如壓縮機斷電后風扇持續冷卻) - 防止電機反向電流沖擊(斷電延時切斷控制回路) |
4、過程控制 - 化工反應釜定時攪拌、水處理系統閥門序列開關 - 農業灌溉系統周期性啟??刂?/span> |

GRT8-N擴展多功能型時間繼電器型號說明: |
|
GRT8-N擴展多功能型時間繼電器技術參數: |
型號 | GRT8-N1 | GRT8-N2 | |
功能 | A,As,Aw,B,Bs,Bw,Cs,Ds,Fe,Js | ||
電源端子 | A1-A2 | ||
額定控制電源電壓 | W 2 4 0 | AC/DC 12-240V 50Hz | |
消耗功率 | AC 0.7-3VA/DC 0.5-1.7W | ||
額定控制電源電壓 | A2 2 0 | AC 220V 50Hz | |
消耗功率 | AC max.6VA/1.3W | AC max.6VA/1.9W | |
電源允許波動范圍 | -15%;+10% | ||
額定沖擊耐受電壓 | 2.5kV | ||
額定絕緣電壓 | 250V | ||
電源指示燈 | 綠色LED | ||
延時范圍 | 0.1秒-10天,常開,常閉 | ||
設定方式 | 旋鈕 | ||
設定精度 | 10% | ||
重復精度 | 0.2% | ||
溫度波動誤差 | 0.05%/℃ | ||
| 輸出觸點參數 | 1組轉換觸點 | 2組轉換觸點 | |
| |||
小切換功率 | 500mW | ||
輸出繼電器指示 | 紅色LED | ||
機械壽命 | 1×10? | ||
電壽命(阻性負載) | 1×10? | ||
復位時間 | 200ms | ||
工作環境溫度 | -20℃~+55℃ | ||
存儲和運輸環境溫度 | -35℃~+75℃ | ||
安裝方式 | 35mm卡軌安裝 | ||
防護等級 | IP20 | ||
安裝位置 | 任意 | ||
安裝海拔高度 | ≤2000米 | ||
污染等級 | 2 | ||
接線能力 | 1×2.5mm2或2×1.5mm2 0.4N ·m | ||
外形尺寸 | 90mm×18mm×64mm | ||
重量 | W240-62g,A220-62g | W240-82g,A220-81g | |
符合標準 | GB/T14048.5,IEC60947-5-1,EN 61812-1 | ||

GRT8-N擴展多功能型時間繼電器產品面板: |
|
GRT8-N擴展多功能型時間繼電器時間設定方法: |
|
旋鈕1: 延時檔位設定, s表示秒, m表示分, h表示小時, d表示天, ON表示繼電器動作(15-18/25-28閉合), OFF表示繼電器斷開(15-18/25-28斷開)。 |
| 旋鈕2:延時時間細調,10%~100%可調。 |
延時時間=旋鈕1×旋鈕2。 例1:需要設定5秒,可將旋鈕1設為10s,旋鈕2設為50%,延時時間=10s×50%=5s。 例2:需要設定8分,可將旋鈕1設為10m,旋鈕2設為80%,延時時間=10m×80%=8m。
| |
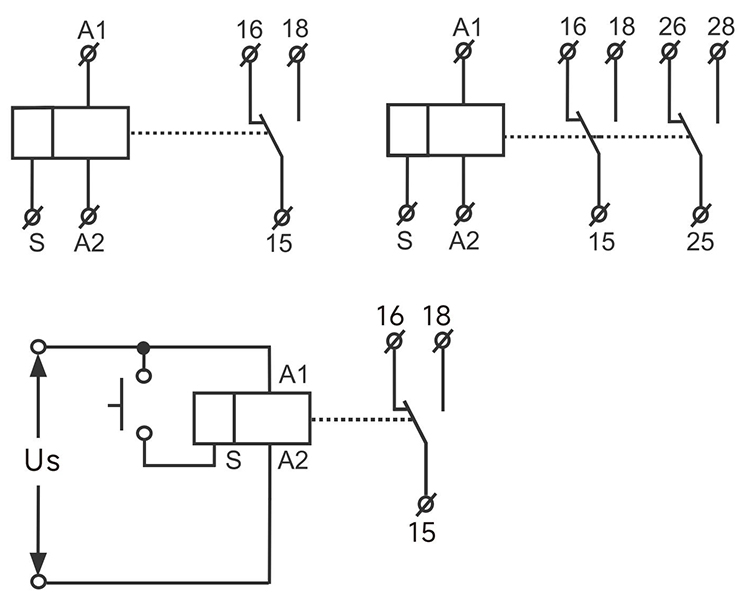
GRT8-N擴展多功能型時間繼電器產品接線: |
|

GRT8-N擴展多功能型時間繼電器產品功能: | |
A:通電延時 |
As:延時閉合(S上升沿觸發) |
當繼電器Us 得電,繼電器開始延時,延 時t后輸出觸點閉合。繼電器Us 斷電后, 輸出觸點斷開,S 控制信號在這個功能 模式中無效。 |
當繼電器Us 處于通電狀態,當S 控制端 閉合時,開始延時,延時t后輸出觸點閉 合,延時t 過程中S控制端重新閉合,延 時t 清零,重新開始延時。 |
|
|
Aw:延時閉合(S觸發時間累計) |
B: 延時斷開 |
當繼電器Us 處于通電狀態,當S控制端 閉合期間的累計延時達到t后,輸出觸點 閉合。 |
當繼電器Us 得電,繼電器閉合并開始延 時,延時t后輸出觸點斷開,S控制信號在 這個功能模式中無效。 |
|
|
Bs:延時斷開(S上升沿觸發開始) | Bw:延時斷開(S觸發時間累計) |
當繼電器Us 處于通電狀態,當S控制端 接通時,繼電器閉合并開始延時t后輸出 觸點斷開,延時t過程中S 控制端重新接 通,延時t清零重新延時。 | 當繼電器Us 得電,繼電器閉合,當S 控 制端閉合期間的累計延時達到t后,輸出 觸點斷開。 |
|
|
Cs:循環延時OFF開始(S上升沿觸發) | Ds:循環延時ON開始(S上升沿觸發) |
當繼電器Us 處于通電狀態,當S 控制端 閉合時,繼電器開始延時,延時t后輸出 觸點閉合,同時又經過延時時間t后繼電 器輸出觸點斷開,如此循環延時直到繼 電器Us失電。 | 當繼電器Us 處于通電狀態,當S 控制端 閉合時,繼電器輸出觸點閉合并開始延 時,延時t 后輸出觸點斷開,同時又經過 延時時間t 后繼電器輸出觸點閉合。如此 循環延時直到繼電器Us 失電。 |
|
|
Fe:接通和斷開延時 (S上升沿和下降沿觸發) |
Js:脈沖輸出(S上升沿觸發) |
當繼電器Us處于通電狀態,當S控制端 接通時,繼電器閉合并開始延時,延時 t后斷開,當S 控制端斷開時,繼電器閉 合,延時t 后斷開。 | 當繼電器Us處于通電狀態,當S 控制端 接通時,繼電器開始延時,延時時間t到 后,繼電器輸出觸點閉合 后斷開。 |
|
|
GRT8-N擴展多功能型時間繼電器產品尺寸: | |
| |
下一個:TB-45型機械式定時器
優惠券
我們的微信
13957717877
13957796089