產品介紹
咨詢服務熱線:13957717877
產品概述
資料下載
相關產品
相關資訊


GOS25C系列旋轉編碼器產品特點: |
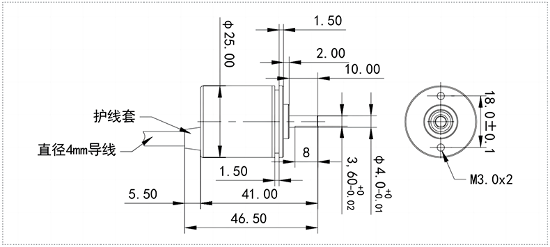
1、外徑φ25mm,軸徑φ4mm。 |
2、增強替代日本歐姆龍E6A2系列編碼器。 |
3、分辨率可選:4096以內任意脈沖數。 |
4、輸出方式:增加5V驅動差分輸出。 |
5、抗震動、灰塵等惡劣環境下使用。 |
GOS25C系列旋轉編碼器應用場合: |
加工機械,包裝機械等狹小空間安裝自動化、半自動化領域應用。 |

GOS25C系列旋轉編碼器型號及含義:

GOS25C系列旋轉編碼器產品機械圖:


GOS25C系列旋轉編碼器輸出相位差:

GOS25C系列旋轉編碼器接線表:

下一個:GCT型開合式高精度電流互感器
優惠券
我們的微信
13957717877
13957796089