產品介紹
咨詢服務熱線:13957717877
產品概述
資料下載
相關產品
相關資訊


為什么選擇VTG系列三相固態繼電器? |
在工業自動化、電力控制等場景中,三相負載的同步開關需求日益增長。VTG系列憑 借全隔離無觸點架構,徹底消除電弧火花與機械磨損問題,提升系統安全性;其緊 湊一體化設計(三刀單擲常開式)簡化了三相電路的布線復雜度,降低安裝維護成本, 成為高可靠性控制系統的理想選擇。 |
VTG系列三相固態繼電器產品優勢: |
1、長壽命與高可靠性 - 無機械觸點結構,抗振動、防爆耐腐蝕,壽命可達傳統繼電器的數十倍。 |
2、抗干擾性能強 - 輸入/輸出端2500V電氣隔離,兼容TTL/DTL/HTL邏輯電平,抗電磁干擾能力強。 |
3、動態響應 - 高dv/dt耐受能力(>1000V/μs),精準控制感性負載啟停,抑制電壓尖峰。 |
4、智能可視化管理 - LED輸入狀態指示,實時監控控制信號,提升故障診斷效率。 |
5、寬域兼容控制 - 支持DC 3-32V或AC 90-280V控制電壓,適配PLC、溫控器等多種信號源。 |
VTG系列三相固態繼電器產品特點: |
1、熱管理性能優異 - 采用高導熱基板與優化散熱路徑設計,大電流工況下的溫度穩定性,延長元件 壽命。 |
2、三相同步控制 - 三路獨立功率單元集成封裝,實現三相負載的同步開關,避免相位失衡風險。 |
3、雙模式觸發靈活 - 過零導通型:抑制浪涌電流,保護阻性負載(如加熱管); - 隨機導通型:即時響應相位控制,適用感性負載(如電機、變壓器)。 |
4、工業級防護設計 - 符合嚴苛環境使用標準,耐沖擊、防塵防潮,適應-30℃至+80℃寬溫工況。 |
VTG系列三相固態繼電器產品應用: |
1、工業自動化系統 - 三相電機啟停控制(風機、泵類、傳送帶) - 電爐加熱、恒溫設備的功率調節 - 注塑機、壓縮機等重型機械的電源管理 |
2、能源與電力控制 - 配電柜自動切換裝置 - 無功補償電容投切系統 - 光伏逆變器輔助電路控制 |
3、公共設施與建筑管理 - 樓宇三相空調機組控制 - 舞臺燈光矩陣電源切換 - 交通信號系統電力調度 |
4、特種設備領域 - 醫療儀器高壓電源模塊 - 防爆環境電氣設備(化工、礦山) - 實驗室精密溫控裝置 |

VTG系列三相固態繼電器型號說明: |
|
VTG系列三相固態繼電器產品選型: |
| 控制電壓 | 工作電壓 | 額定工作電流 | ||||||
25Amps | 40Amps | 60Amps | 80Amps | 100Amps | 120Amps | 150Amps | ||
3 to 32VDC | 480 VAC"Z" | VTG25 DA48Z | VTG40 DA48Z | VTG60 DA48Z | VTG80 DA48Z | VTG100 DA48Z | VTG120 DA48Z | VTG150 DA48Z |
3 to 32VDC | 480 VAC"R" | VTG25 DA48R | VTG40 DA48R | VTG60 DA48R | VTG80 DA48R | VTG100 DA48R | VTG120 DA48R | VTG150 DA48R |
90 to 280VAC | 480 VAC"Z" | VTG25 AA48Z | VTG40 AA48Z | VTG60 AA48Z | VTG80 AA48Z | VTG100 AA48Z | VTG120 AA48Z | VTG150 AA48Z |
90 to 280VAC | 480 VAC"R" | VTG25 AA48R | VTG40 AAT8R | VTG60 AA48R | VTG80 AA48R | VTG100 AA48R | VTG120 AA48R | VTG150 AA48R |
3 to 32VDC | 530 VAC"Z" | VTG25 DA53Z | VTG40 DA53Z | VTG60 DA53Z | VTG80 DA53Z | VTG100 DA53Z | VTG120 DA53Z | VTG150 DA53Z |
3 to 32VDC | 530 VAC"R" | VTG25 DA53R | VTG40 DA53R | VTG6O DA53R | VTG80 DA53R | VTG100 DA53R | VTG120 DA53R | VTG150 DA53R |
90 to 280VAC | 530 VAC"Z" | VTG25 AA53Z | VTG40 AA53Z | VTG60 AA53Z | VTG80 AA53Z | VTG100 AA53Z | VTG120 AA53Z | VTG150 AA53Z |
90 to 280VAC | 530 VAC"R" | VTG25 AA53R | VTG40 AA53R | VTG60 AA53R | VTG80 AA53R | VTG100 AA53R | VTG120 AA53R | VTG150 AA53R |

VTG系列三相固態繼電器技術參數: |
輸入參數 | ||
參數名稱 | 參數值 | |
輸入方式 | D | A |
控制電壓范圍 | 3 to 32VDC | 90 to 280VAC |
輸入電流() | 33/56mADC @=5V/12V | 13mAAC @=220V |
開通電壓 | 3VDC | 90VAC |
關斷電壓 | 1VDC | 10VAC |
反向電壓 | -6VDC | / |
輸出參數 | ||||||||
參數名稱 | 單位 | 參數值 | ||||||
標稱電流 | Amps | 25 | 40 | 60 | 80 | 100 | 120 | 150 |
負載電流范圍 | Arms | 3x25 | 3x40 | 3x60 | 3×80 | 3x100 | 3x120 | 3x150 |
浪涌電流 20mSec(Max.) | Arms | 300 | 400 | 600 | 800 | 1000 | 1200 | 1500 |
負載電壓范圍 (480V) | Vrms | 48 to 480 | ||||||
可控硅阻斷電壓 (480V) | Vpk | ≥1200 | ||||||
負載電壓范圍 (530V) | Vrms | 53 to 530 | ||||||
可控硅阻斷電壓 (530V) | Vpk | ≥1400 | ||||||
頻率范圍 | Hz | 47 to 63 | ||||||
斷態電壓上升率 dv/dt(Min.) | V/μsec | 500 | ||||||
斷態漏電流 (Max.) | mArms | ≤8 | ||||||
通態電壓降 (Max.) | Vrms | 1.8 | ||||||
熱阻 (Rthjc) | ℃/W | 0.75 | 0.55 | 0.46 | 0.38 | 0.34 | 0.23 | 0.23 |
開通時間 (Max.) “過零控” | Cycle | 1-2 | ||||||
關斷時間 (Max.) “ 直 流 ” | Cycle | 1-2 | ||||||
開通時間 (Max.) “ 隨 機 控 ” | mSec | 1 | ||||||
關斷時間 (Max.) “ 交 流 ” | mSec | 10 | ||||||
其它參數 (Ta=25℃) | |||||||
| 標稱電流 | 25A | 40A | 60A | 80A | 100A | 120A | 150A |
介質耐壓,輸入/輸出 (50/60 Hz) | 2500Vrms | ||||||
介質耐壓,輸入,輸出/底板 (50/60 Hz) | 2500Vrms | ||||||
絕緣電阻 (@500 VDC) | 10? Ω | ||||||
電容,輸入/輸出 | 0.8pF | ||||||
工作溫度范圍 | -30 to 80℃ | ||||||
儲存溫度范圍 | -30 to 100℃ | ||||||
符合標準IEC60068-2-78 | 95% | ||||||
LED輸入指示燈 | Red | ||||||
底板材質 | 紫銅 | ||||||
重量 | 500g | ||||||

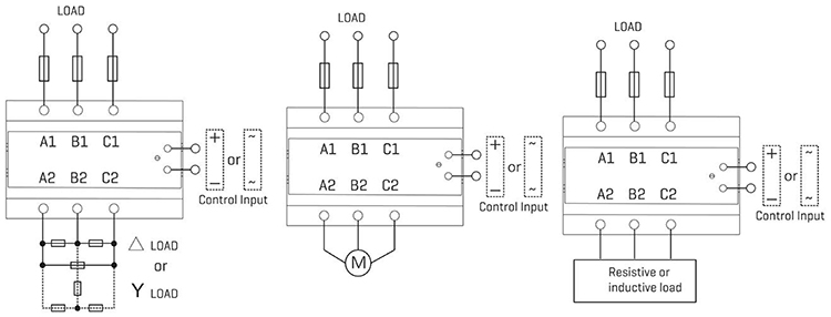
VTG系列三相固態繼電器產品接線: |
|
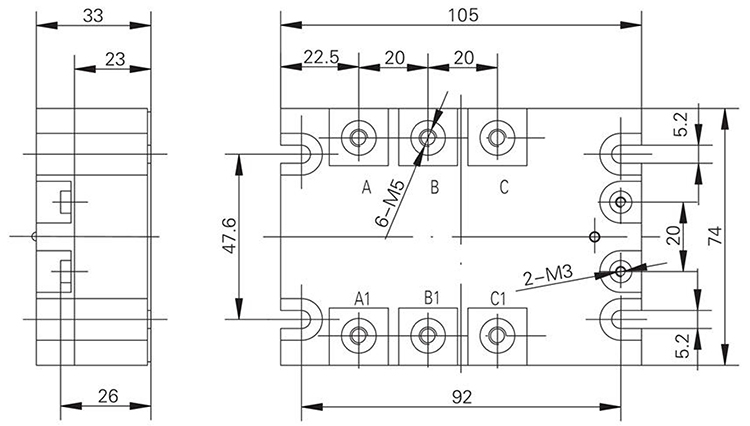
VTG系列三相固態繼電器產品尺寸: |
|
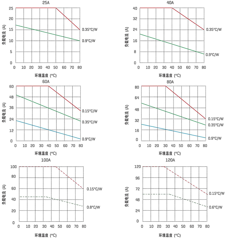
VTG系列三相固態繼電器溫度曲線: |
|
上一個:3V200系列三口二位電磁閥
下一個:NV型電壓數顯表
優惠券
我們的微信
13957717877
13957796089