產品介紹
咨詢服務熱線:13957717877
產品概述
資料下載
相關產品
相關資訊


GYPV/1-1型光伏匯流箱產品概述:
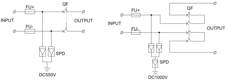
GYPV/1-1型光伏匯流箱適用于逆變器(輸入電壓DC550V/DC1000V,1個PV輸入通
道,1個輸出通道,單個MPPT逆變器)。箱體采用聚氯乙烯工程材料,具有阻燃、溫升、抗
沖擊、抗紫外線等測試功能。IP65防護等級。
同時,GYPV/1-1型匯流箱嚴格按照《光伏結設備技術規范》CGC/GF 037:2014進行設
計和配置,為用戶提供安全、簡潔、美觀、適用的光伏系統產品。
GYPV/1-1型光伏匯流箱產品特點:
1、高可靠性:
帶直流保險絲。
帶直流浪涌保護裝置。
帶直流斷路器或直流負載隔離開關。
2、適應性強:
IP65設計,防水、防塵、防紫外線。嚴格的高溫和低溫測試,應用廣泛。安裝簡單,系
統接線簡單,接線方便。箱體由冷軋鋼和其他金屬材料制成。
3、靈活的配置:
用于單晶硅太陽能組件、多晶硅太陽能組件、薄膜太陽能組件。修改了光伏熔斷器、斷
路器、負載隔離開關的額定電流。

GYPV/1-1型光伏匯流箱技術參數:
| 電氣參數 | ||
| 系統直流電壓 | 550 | 1000 |
| 每個串的輸入電流 | 15A | |
| 輸入字符串 | 1 | |
| 輸出開關電流 | 16A/20A | |
| 逆變器MPPT數量 | 1 | |
| 輸出字符串數 | 1 | |
| 防雷 | ||
| 試驗類別 | Ⅱ等級保護 | |
| 標稱放電電流 | 20kA | |
| 放電電流 | 40kA | |
| 電壓保護等級 | 2.5kV | 3.8kV |
| 連續工作電壓Uc | 630V | 1050V |
| 點 | 2P | 3P |
| 結構特點 | 插頭推動模塊 | |
| 體系 | ||
| 防護等級 | IP65 | |
| 輸出開關 | 直流隔離開關(標準)/直流斷路器(可選) | |
| MC4R防水連接器 | 標準 | |
| 光伏直流保險絲 | 標準 | |
| 光伏浪涌保護器 | 標準 | |
| 監控模塊 | 可選擇的 | |
| 防二管 | 可選擇的 | |
| 箱體材料 | PVC | |
| 安裝方法 | 壁掛式 | |
| 工作溫度 | -25℃ ~+55℃ | |
| 溫度升高 | 2km | |
| 允許相對濕度 | 0-95%,無冷凝 | |
| 機械參數 | ||
| 長X寬X高 | 300x260 x140 | |
GYPV/1-1型光伏匯流箱工作原理:


上一個:GYW3型直流框架斷路器
下一個:GYPV/2-1型光伏匯流箱
優惠券
我們的微信
13957717877
13957796089