產品介紹
咨詢服務熱線:13957717877
產品概述
資料下載
相關產品
相關資訊


|
在工業自動化和電力系統中,精準監測電流異常是保障設備安全運行的核心需求。 GRI8-IW監控電流繼電器通過高精度測量與靈活配置功能,為過流、欠流故障提供可靠 保護解決方案,有效避免設備損壞與非計劃停機。 |
GRI8-IW系列監控電流繼電器產品優勢: |
1、測量精準:真有效值算法適應復雜波形環境 |
2、功能靈活:過流/欠流獨立或組合監控模式 |
3、配置便捷:觸點類型與動作閾值自由設定 |
4、空間高效:緊湊型設計優化配電柜空間利用率 |
GRI8-IW系列監控電流繼電器產品特點: |
1、高精度真有效值測量 - 采用RMS檢測技術,準確捕獲非線性負載電流波形,復雜工況下的測量可 靠性。 |
2、多重監控模式 - 支持過電流、欠電流的獨立監測或同步監測,用戶可根據設備保護需求靈活配置監 控策略。 |
3、可編程輸出觸點 - 提供常開(NO)/常閉(NC)觸點自由選擇 - 兩組繼電器輸出獨立工作,可同時控制不同回路 |
4、工程適配性強 - 36mm超薄寬度,兼容標準35mm導軌安裝 - 工業級防護設計,適應嚴苛電氣環境 |
GRI8-IW系列監控電流繼電器產品特點: |
1、核心保護功能 - 實時監測電動機、壓縮機、傳送帶等設備的過載與堵轉風險 - 預防泵機空轉、風機失速等欠電流故障導致的設備失效 |
2、系統集成場景 - 工業生產線:對關鍵設備實施電流異常連鎖保護 - 配電系統:監測變壓器、配電柜的電流越限事件 - 能源設施:保障光伏逆變器、UPS電源的電流穩定性 - 建筑自動化:電梯、通風系統等機電設備的電流狀態監控 |

GRI8-IW系列監控電流繼電器型號說明: |
|
GRI8-IW系列監控電流繼電器技術參數: |
型號 | GRI8-IW1 | GRI8-IW2 |
功能 | 監測電流 | |
供電端子 | A1,A2 | |
額定電源電壓 | AC/DC24-240V 50160Hz | |
監控電流輸入端子 | E1,E2,E3,M | |
| 監測電流范圍 | AC/DC2mA-500mA 50/60Hz | AC/DC0.15A-15A 50/60Hz |
額定絕緣電壓 | 500V | |
遲滯 | 僅高于或低于:5%-50%可調;高于和低于:固定5% | |
供應指示 | 綠色LED | |
測量誤差 | ≤5% | |
時間延遲 | 0.3s-30s | |
加電延遲/重置時間 | 1s-20s | |
旋鈕設置精度 | 10% | |
輸出 | 2×SPDT | |
額定電流 | 5A/AC1 | |
開關電壓 | 250VAC/24VDC | |
小泄漏容量DC | 500mW | |
輸出指示 | 黃色LED | |
機械壽命 | 5×10? | |
電氣壽命(AC1) | 5×10? | |
工作溫度 | -20℃ to +55℃(-4F to 131F) | |
儲存溫度 | -35℃ to+75℃(-22°F to 158°F) | |
安裝/DIN導軌 | 導軌EN/IEC 60715 | |
防護等級 | 前面板IP40/IP20端子 | |
操作位置 | any | |
過電壓類別 | Ⅲ. | |
污染程度 | 2 | |
電纜尺寸 (mm2) | 實心線1×2.5或2×1.5/帶套筒1×2.5mg(AWG 12) | |
尺寸 | 90mm×36mm×70mm | |
重量 | 100g | |
標準 | EN/IEC60947-5-1 | |
型號 | 輸入端子 | 輸入監測電流范圍 | 輸入電阻 | 過載能力 |
| GRI8-IW1 | E1-M | AC/DC2mA-20mA 50/60Hz | 5Ω | 在150%時以輸入1秒的120%連續輸入 |
| E2-M | AC/DC10mA-100mA 50/60Hz | 1Ω | ||
| E3-M | AC/DC50mA-500mA 50/60Hz | 0.2Ω | ||
| GRI8-IW2 | E1-M | AC/DC0.15A-1.5A 50/60Hz | 0.05Ω | |
| E2-M | AC/DC0.5A-5A 50/60Hz | 0.015Ω | ||
| E3-M | AC/DC1.5A-15A 50/60Hz | 0.005Ω |

GRI8-IW系列監控電流繼電器產品面板: |
|
面板設置 |
| SW1 | ON | 高于或低于 |
| OFF | 高于和低于 | |
| SW2 | ON | 只有高于 (SW1=ON時有效) |
| OFF | 只有低于 (SW1=ON時有效) | |
| SW3 | ON | 保護過度/不足后鎖定 |
| OFF | 保護過度/不足后自動重置 | |
| SW4 | ON | 11/-14/21-14正常關閉 |
| OFF | 11-14/21-14正常打開 | |
| SW5 | ON | 繼電器1和繼電器2同時工作 (當SW1=ON時,此模式為默認模式) |
| OFF | 繼電器1和繼電器2分別工作 當SW1=OFF時有效, R1(11,12,14)-高于,R2(21,22,24)-低于 |
在模式切換時發生錯誤設置 |
|
當低于設定值大于高于設定值時,指示燈Un/Rest和F同時閃爍,繼電器觸點復位。 當低于設定值小于高于設定值時,指示燈和繼電器將恢復。 |

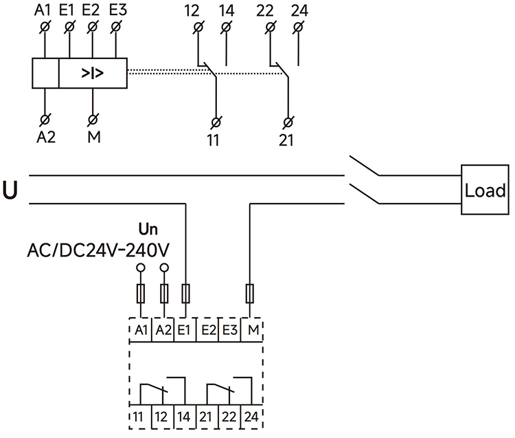
GRI8-IW系列監控電流繼電器產品接線: |
|
GRI8-IW系列監控電流繼電器產品尺寸: |
|
上一個:LP系列工業級防水連接器
優惠券
我們的微信
13957717877
13957796089