產品介紹
咨詢服務熱線:13957717877
產品概述
資料下載
相關產品
相關資訊


為什么選擇GP3-VA自復式過欠壓保護器? |
在電網電壓波動頻繁或供電質量不穩定的環境中,電氣設備容易因電壓異常而損壞甚 至引發安全事故。GP3-VA自復式過欠壓保護器通過對電壓的實時監測與智能響應,能夠 在電壓超出設定范圍時自動切斷電源,并在電壓恢復正常后自動重新接通,有效提升用 電系統的安全性與連續性。 |
GP3-VA自復式過欠壓保護器產品優勢: |
1、多重保護機制:集成過壓、欠壓和過流保護,應對多種電壓異常情況; |
2、高精度測量:電壓測量誤差不超過總范圍的2%,響應準確; |
3、寬范圍設定:電流可在1–63A之間設定,適應不同負載需求; |
4、自復式功能:電壓正常后自動恢復供電,減少人工干預; |
5、高機械與電氣壽命:機械壽命達10?次,電氣壽命達10?次,性能持久穩定。 |
GP3-VA自復式過欠壓保護器產品特點: |
1、智能延時控制: - 具備跳閘延時與復位延時功能,跳閘延時范圍0.1–30秒,復位延時可在1–500秒之 間設定,有效避免因瞬時波動導致的誤動作,提升動作可靠性; |
2、靈活的電流設定: - 用戶可根據實際用電需求靈活調整過流保護閾值(1–40/63A),適配多種用電場 景; |
3、高精度電壓監測: - 采用高精度檢測電路,實現對電壓的準確判斷,避免因電壓偏差引起的設備損壞; |
4、自恢復功能: - 在電壓恢復正常后自動合閘,無需人工復位,特別適用于無人值守或遠程場合; |
5、緊湊結構與良好防護: - 外殼設計符合IP20防護等級,可在多數室內環境中安全使用。 |
GP3-VA自復式過欠壓保護器產品應用: |
GP3-VA自復式過欠壓保護器廣泛適用于各類單相用電環境的電壓保護,包括但不限 于: |
1、家庭住宅: - 保護空調、冰箱、電視機等家用電器因電壓驟升或驟降帶來的損害; |
2、商業場所: - 用于商鋪、小型辦公室、餐飲場所等,保障收銀機、照明系統、監控設備等關鍵負 載的穩定運行; |
3、輕工業與公共設施: - 可安裝于水泵控制系統、通信基站、自動售貨機等設備中,提升設備運行可靠性并 延長使用壽命; |
4、臨時用電場合: - 如工地臨時供電、展會展廳等電壓波動較大的環境,提供額外保護層。 |

GP3-VA自復式過欠壓保護器產品面板: |
|
GP3-VA自復式過欠壓保護器功能設置: |
|
GP3-VA自復式過欠壓保護器默認設置: |
技術參數 | 設定范圍 | 步長值 | 出廠設置 |
過電流保護值 | 230V-300V | 1V | 280V |
欠壓保護值 | 210V-140V | 1V | 160V |
電壓保護動作時間 | 0.1~30S | 0.1S | 1S |
過電流保護值 | 1-40/63A/oFF | 0.1A | 40/63A |
過電流保護動作時間 | 0.1~30S | 0.1S | 1S |
連續過電流保護時間 | A01~A20/oFF | A01 | OFF |
恢復延遲時間 | 1~600S | 1S | 5S |

GP3-VA自復式過欠壓保護器技術參數: |
額定電源電壓 | AC220V |
工作電壓范圍 | AC 80V~400V(單相) |
額定頻率 | 50/60Hz |
電流(>A)設置范圍 | 1~40/63A |
過壓(>U)設置范圍 | 230~300V |
欠壓(>U)設置范圍 | 210~140V |
額定電流 | 40/63A(以產品標簽為準) |
>U和<U跳閘延遲 | 0.1~30S |
重置/啟動延遲 | 1~500S |
電壓測量精度 | 2%(不超過總范圍的2%) |
額定絕緣電壓 | 400V |
輸出觸點 | 1NO |
電氣壽命 | 10? |
機械壽命 | 10? |
保護裝置 | IP20 |
污染程度 | 3 |
海拔 | ≤2000m |
工作溫度 | -50℃~55℃ |
濕度 | ≤50%at40 ℃(無凝結) |
儲存溫度 | -30℃~70℃ |
電流規范 | 15A | 25A | 32A | 40A | 50A | 63A |
額定工作電流(In,A) | 15 | 25 | 32 | 40 | 50 | 63 |
工作電流Imax(A,10分鐘內) | 25 | 30 | 40 | 50 | 60 | 80 |
負載功率(KW) | 3.6 | 5.5 | 7 | 8.8 | 11 | 13.9 |

GP3-VA自復式過欠壓保護器產品接線: |
|
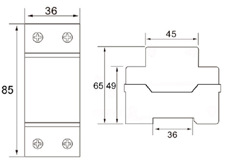
GP3-VA自復式過欠壓保護器產品尺寸: |
|
上一個:GYS系列逆控儲能一體機
下一個:N52-2042導軌式數顯表
優惠券
我們的微信
13957717877
13957796089